地址:深圳市宝安区福永镇凤凰工业区第3栋 电话:0755-2712-0370 邮箱:1410876570@qq.COM
不二越株式会社销售中心 版权所有 © All rights reserved
不二越株式会社销售中心 版权所有 © All rights reserved
手机:136-9218-9994
电话2:0755-27120370
邮箱:1410876570@qq.COM
QQ :1410876570
地址:深圳市宝安区福永镇凤凰工业区第3栋

采用湿式电磁换向阀,高可靠性结构。
采用了集中端子箱型接线方式,简单易行。
以10W的低耗电量动作。
AC型中阀门全长设计紧凑。
CE、UL、CSA 认可。
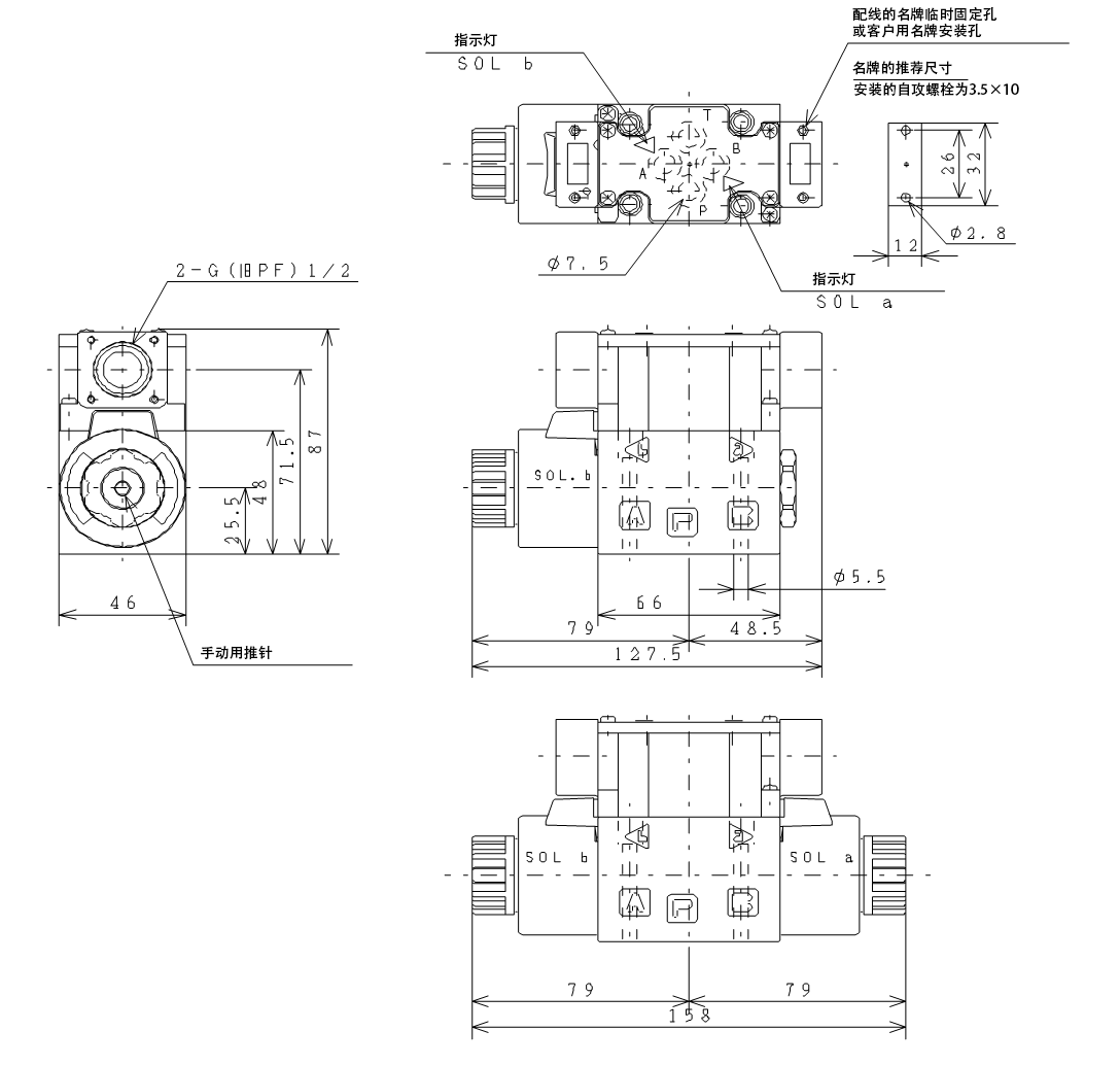
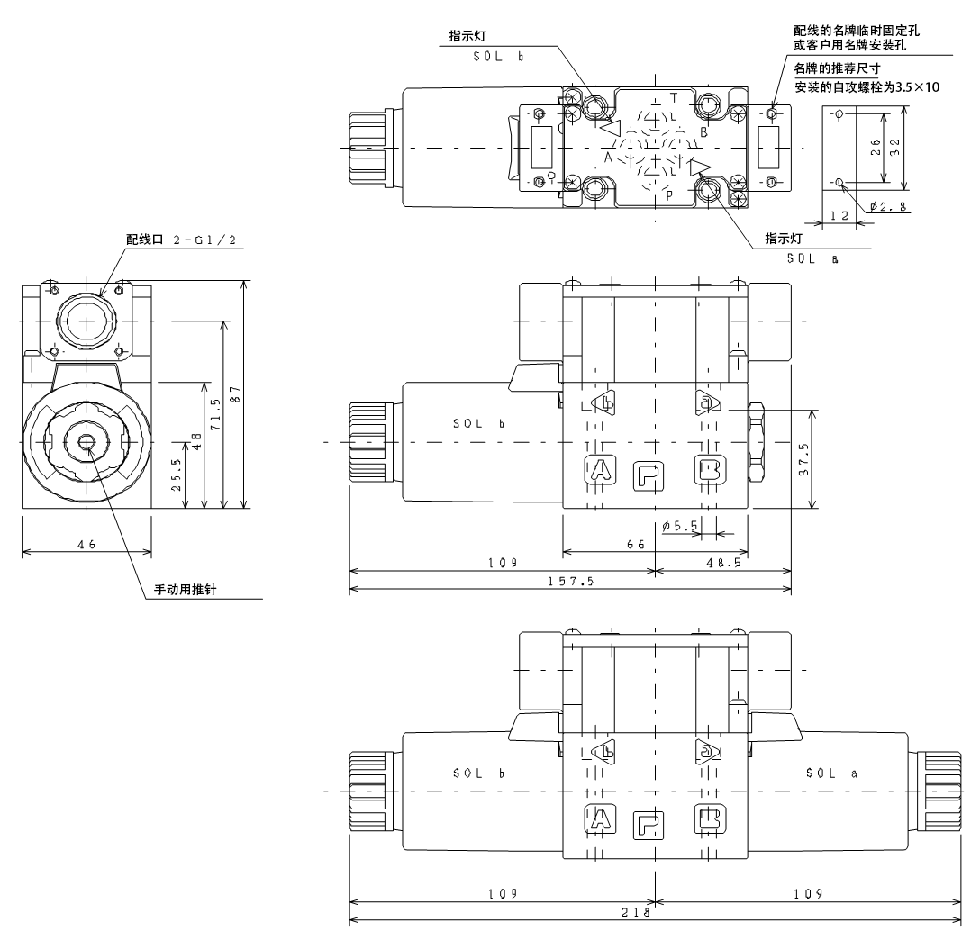
阀规格
※各阀门的最大流量因压力而异。
电磁铁规格
类型
交流
内置整流器
直流
C*
E1
D2
最大使用压力
7MPa
最大流量
30L/min
許容背圧
7MPa
选购件
指示灯
○
○
○
无浪涌
○
-
○
手动按钮
○
○
○
快速返回
-
○
-
防尘、防水级别
IP64
重量
单SOL
1.2kg
1.5kg
双SOL
1.5kg
2.0kg
电磁铁分类
电源形式
频率
(Hz)
启动电流
(A)
保持电流
(A)
保持电力
(W)
容许电压范围
(V)
交流
C1
50
1.3
0.30
12.0
80~110
60
1.1
0.24
9.6
90~120
C2
50
0.65
0.15
12.0
160~220
60
0.55
0.12
9.6
180~240
内置整流器
E1
-
0.11
10
90~110
直流
D2
-
0.42
10
21.6~26.4

